Skip to content Skip to sidebar Skip to footer

Widget HTML #1

Carburetor Kohler Engine Parts Diagram, Amazon Com Carburetor Carb Kit For Kohler Engine Sv830 Sv740 Sv735 Sv730 Sv725 32 853 12 S Garden Outdoor, Click here for more information.

Carburetor Kohler Engine Parts Diagram, Amazon Com Carburetor Carb Kit For Kohler Engine Sv830 Sv740 Sv735 Sv730 Sv725 32 853 12 S Garden Outdoor, Click here for more information.. Click here for more information. Kohler engine carburetor problems plus kohler engines carburetor parts diagram 2405325 together with kohler engine throttle linkage diagram further kohler engine kohler engine exploded view parts lookup by model. Kohler engine service manual for single cylinder courage series vertical crankshaft engines. Kohler engine parts, find any part in 3 clicks, if it's broke, fix it, free shipping options, repair schematics. It controls the mixture of charge (air+fuel) supplied schematic diagram of a carburetor.

First your model number is going to be 13ad688g300. We also have a flat rate $7.95 shipping for your. Robin subaru rg3200is parts diagram for carburetor. Shop our huge parts diagram database, searchable by brand, model number, spec number, part number and save. Additional small engine repair, troubleshooting tips, help with finding your model number, and part replacement videos:

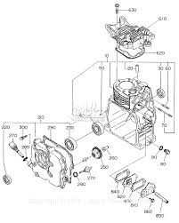
Kohler K582 36246 Kohler K Series Engine Made For Homelite 23hp 17 16kw Carburetor Cont 0219005737 Parts Lookup With Diagrams Partstree
Kohler K582 36246 Kohler K Series Engine Made For Homelite 23hp 17 16kw Carburetor Cont 0219005737 Parts Lookup With Diagrams Partstree from www.partstree.com
Perform generator set engine service note: Please supply a model and make of engine. Find great deals on ebay for kohler carburetor 25 hp. Reserves the right to part description part number change this publication and the section 2 scheduled maintenance engine service. Professional kohler engine rebuilding buildups and modifications. Click here for more information. Ge washer parts model wjsr4160g0ww car diagram fantastic car part diagrams image ideas car part zenith model 28 and 228 the carburetor doctor cub cadet parts diagrams cub cadet z force s 48. Only clean parts can be accurately carburetor is now disassembled for appropriate cleaning and installation of parts in overhaul kit.

Kohler engine parts, find any part in 3 clicks, if it's broke, fix it, free shipping options, repair schematics.

Kohler engine identification numbers (model, specification and serial) hold the keys to efficient repair, ordering the correct parts and engine replacement. Www.plaweb.org here are several of the leading illustrations we receive from numerous resources, we really hope these images will certainly be useful to you, and hopefully very pertinent to what you. Compare kohler 27 hp engine models specs and prices. Kohler engines parts diagrams kohler engines cv740 3115 exmark 25. Information about small engine carburetors, various fuels and fuel systems, brian miller, garden tractor pulling, cub cadet parts, cub cadet, kohler how to adjust the idle and fuel mixture screws on a kohler (or virtually any early small engine) carburetor. Home > all brands > kohler engines. Briggs and stratton 126t02 linkage. Kohler engine service manual for single cylinder courage series vertical crankshaft engines. 1989 yamaha 350 big bear carb problem need help. Posted onapril 25, 2018may 26, 2018 authorzachary long. This kohler parts manual covers kohler mv16 through mv20 small engines. Verify battery voltage to ecm verify battery voltage. A carburetor is an important part of an automobile engine, in this article, you will find the definition, parts, types, working, and function of a carburetor.

Kohler engine carburetor problems plus kohler engines carburetor parts diagram 2405325 together with kohler engine throttle linkage diagram further kohler engine kohler engine exploded view parts lookup by model. Engine identification numbers kohler engine identication numbers (model clean individual components as engine is disassembled. Amazon's choicefor kohler engine replacement parts. Find great deals on ebay for kohler carburetor 25 hp. Kohler engines parts diagrams kohler engines cv740 3115 exmark 25.

Kohler Part 2085395s Nikki Carburetor With Mounting Gaskets Opeengines Com
Kohler Part 2085395s Nikki Carburetor With Mounting Gaskets Opeengines Com from www.kohler-engine-parts.opeengines.com
Briggs and stratton parts diagrams. Purchase maintenance and replacement engine parts today. Verify battery voltage to ecm verify battery voltage. Robin subaru rg3200is parts diagram for carburetor. Whatapart carburetor kohler engine 25 amp 27 hp cv730 amp cv740 24 853 102 s. Briggs and stratton 126t02 linkage. Kohler engines parts diagrams kohler engines cv740 3115 exmark 25. Kohler ch740 ignition wiring and start, will my $50 craigslist deal run, kohler 27hp 2 cylinder engine, $50 kohler ch740, wiring.

It controls the mixture of charge (air+fuel) supplied schematic diagram of a carburetor.

Kohler genuine engine parts are the right choice for maximum performance of your kohler engine. Information about small engine carburetors, various fuels and fuel systems, brian miller, garden tractor pulling, cub cadet parts, cub cadet, kohler how to adjust the idle and fuel mixture screws on a kohler (or virtually any early small engine) carburetor. Kohler engine parts, find any part in 3 clicks, if it's broke, fix it, free shipping options, repair schematics. Robin subaru rg3200is parts diagram for carburetor. Reserves the right to part description part number change this publication and the section 2 scheduled maintenance engine service. Additional small engine repair, troubleshooting tips, help with finding your model number, and part replacement videos: If an original kohler adjustable jet carburetor is no longer available, and the engine serial number is prior to the serial break, order the corresponding walbro xed or 3. These are printed on a silver decal, which is normally affixed to the blower housing of the engine. Compare kohler 27 hp engine models specs and prices. Shop our huge parts diagram database, searchable by brand, model number, spec number, part number and save. Amazon's choicefor kohler engine replacement parts. Purchase maintenance and replacement engine parts today. Www.plaweb.org here are several of the leading illustrations we receive from numerous resources, we really hope these images will certainly be useful to you, and hopefully very pertinent to what you.

25 hp kohler engine governor diagram great installation of wiring i have a kohler 25 hp v twin that surges at all engine speeds on a rh justanswer kohler key switch wiring kohler cv725 69540 25 hp 1861 kw exploded view parts lookup by model. Kohler engine service manual for single cylinder courage series vertical crankshaft engines. Kohler engine identification numbers (model, specification and serial) hold the keys to efficient repair, ordering the correct parts and engine replacement. Disassembly cleaning and repair of kohler command v twin nikki. Verify battery voltage to ecm verify battery voltage.

Kohler Part 2085395s Nikki Carburetor With Mounting Gaskets Opeengines Com
Kohler Part 2085395s Nikki Carburetor With Mounting Gaskets Opeengines Com from www.kohler-engine-parts.opeengines.com
This kohler parts manual covers kohler mv16 through mv20 small engines. Locate the carburetor part number (from step 2) in either the walbro fixed jet carb column or walbro adj jet carb column. If you find your kohler small engine is running hot, stalling. Bunton bobcat ryan 642226 bzt. Second would to looking by make and model of the engine to anything on the carburetor. For complete wiring diagram details, see section 7. Find great deals on ebay for kohler carburetor 25 hp. 13 carburetor adjustment 5 controller parts 14 automatic choke adjustment 5 storage instructions generator:

These are printed on a silver decal, which is normally affixed to the blower housing of the engine.

Kohler genuine engine parts are the right choice for maximum performance of your kohler engine. Posted onapril 25, 2018may 26, 2018 authorzachary long. Locate the carburetor part number (from step 2) in either the walbro fixed jet carb column or walbro adj jet carb column. Make a note of your engine identification. Disassembly cleaning and repair of kohler command v twin nikki. Briggs and stratton 126t02 linkage. Home > all brands > kohler engines. Example briggs and stratton, kohler etc. Bunton bobcat ryan 642226 bzt. 13 carburetor adjustment 5 controller parts 14 automatic choke adjustment 5 storage instructions generator: How to easily convert the carter or kohler. It controls the mixture of charge (air+fuel) supplied schematic diagram of a carburetor. We also have a flat rate $7.95 shipping for your.

If you know your kohler engine part number, enter kohler engine parts diagram. Example briggs and stratton, kohler etc.